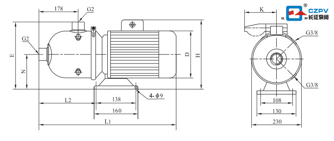
卧式多级离心泵外形尺寸图

卧式多级离心泵外形尺寸表
| 电机 | 型号 | 尺寸 | 重量 | ||||||
| L1 | L2 | H | D | E | N | K | kg | ||
| 三相/单相 | CHL12-10 | 560 | 280 | 230/265 | 170 | 268 | 118 | /100 | 20 |
| CHL12-20 | 560 | 280 | 230/265 | 170 | 268 | 118 | /100 | 21 | |
| CHL12-30 | 580 | 280 | 240/270 | 180 | 268 | 118 | /100 | 25 | |
| CHL12-40 | 580 | 280 | 240/270 | 180 | 268 | 118 | /100 | 29 | |
| CHL12-50 | 610 | 270 | 270/ | 195 | 276 | 126 | 34 | ||


IHF系列氟塑料衬里离心泵
FB全不锈钢单级单吸耐腐蚀离心泵
FSB型氟塑料合金离心泵
