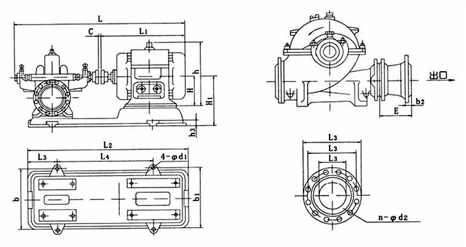
CZOW(S、SH)型单级双吸蜗壳式中开离心泵用于输送清水或者物理化学性质类似于水的其他液体之用。SH中开双吸泵输送温度低于80℃。适用于城市给排水、工厂、矿山、电站和农田排灌以及各种水利工程之用。双吸泵安装说明书如下。
1.中开双吸离心泵的安装技术关键在于确定水泵安装高度。高度是指水源水面到水泵叶轮中心线的垂直距离,它与允许吸上真空高度不能混淆。双吸中开泵的安装高度应该是允许吸上真空高度减去吸水管道损失扬程后,余下的那部分数值,需要克服实际地形吸水高度。中开双吸泵安装高度不能超过计算值,否则,单级双吸泵将抽不上来水。
2.中开双吸离心泵的安装需要采用较短的管路布置,并且尽量减少弯头等配件,可以适当考虑配大一号口径的水管,以减少管内流速。
3.管道安装技术,吸水管道要求有严格的密封性,不能漏气和漏水,否则会破坏离心泵的真空度,使双吸泵出水量减小,严重时甚至抽不上来水。
4.双吸泵安装高度,管路的传动、直径、流速严格负荷计算,尽量减少不必要的损失。
5.长时间输送时,严格选取较大的管径,双吸离心泵的管路应该有自己的支撑架,不允许管路的重量加在双吸泵上,避免把双吸中开泵压坏。
6.排出管路如果装有逆止阀,应该装在闸阀的外面。
单级双吸泵生产厂家总结。推荐阅读:双吸泵操作使用方法


CHDF轻型卧式不锈钢多级离心泵
CHL轻型卧式多级离心泵
FB全不锈钢单级单吸耐腐蚀离心泵
